产品介绍
产品介绍
您现在的位置:网站首页 > 产品介绍>KIS40和KIH40系列
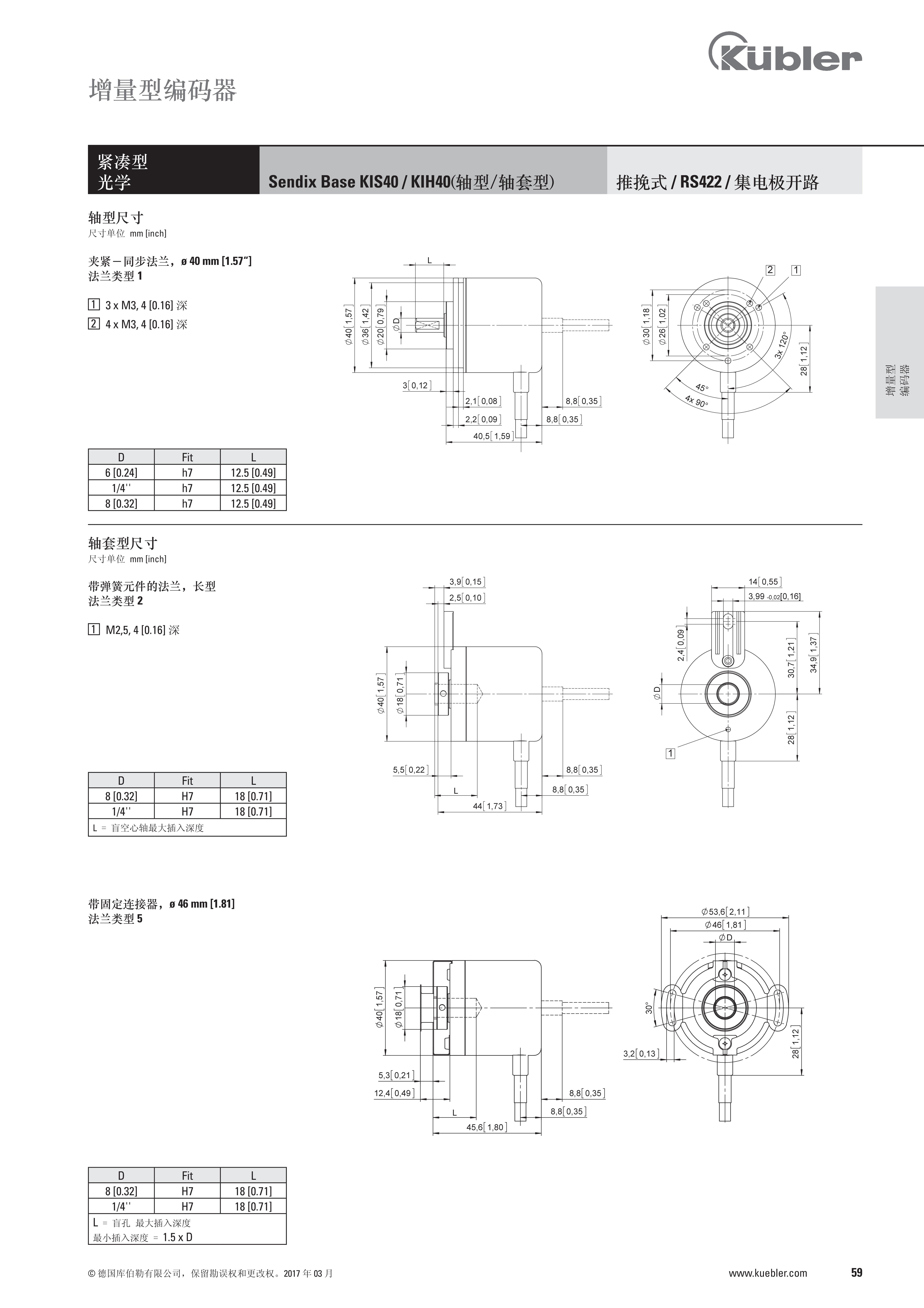
KIS40和KIH40系列


微信公众号
版权所有 © 上海艾闵贸易有限公司 沪ICP备13017131号-1