产品介绍
产品介绍
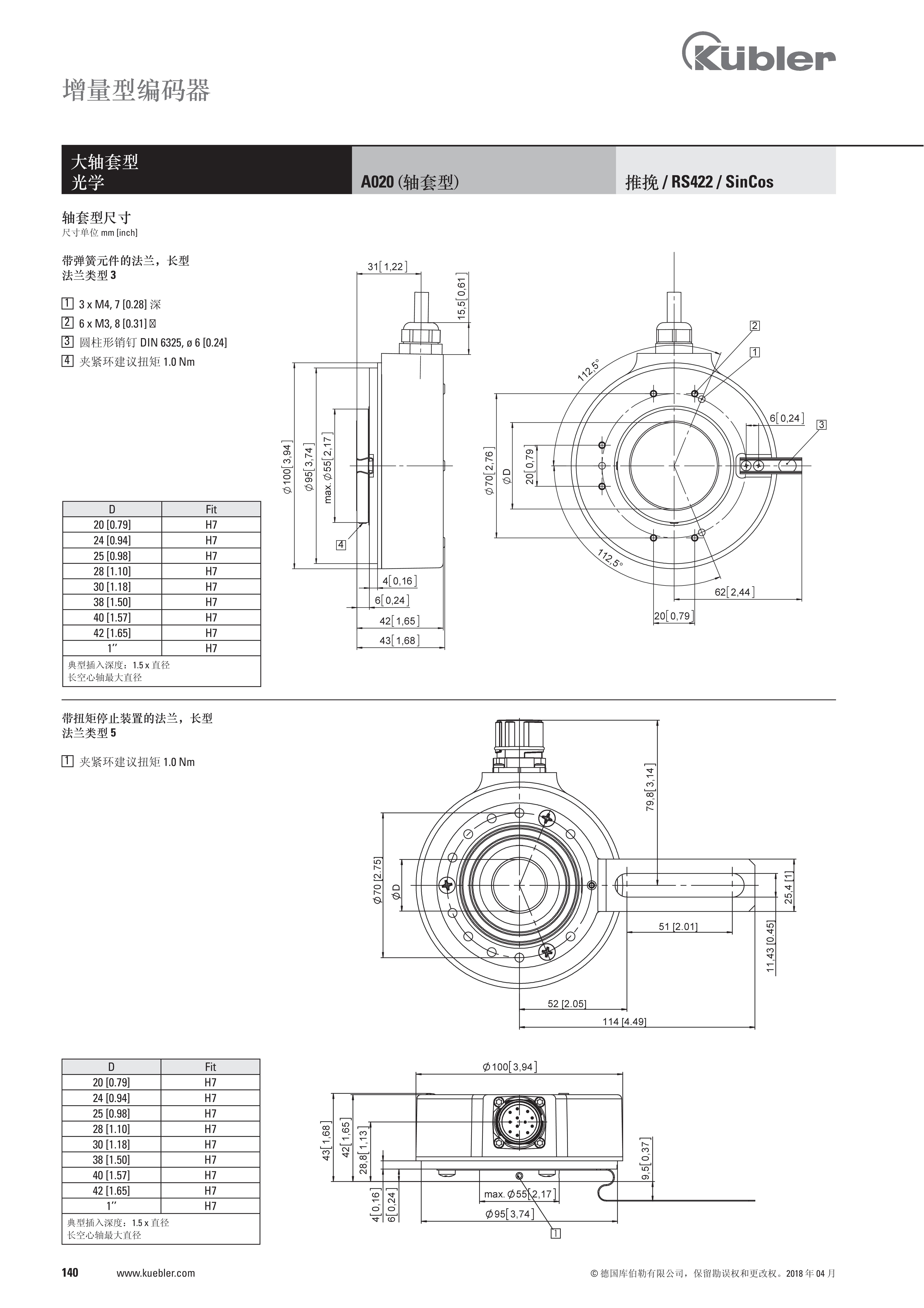
您现在的位置:网站首页 > 产品介绍>A020系列
A020系列


正规渠道销售商,全新原装正品保证,各类型号齐全,库存充足.
销售咨询热线18221795900(同微信) 021-67118782 QQ327936383




